|
【XD381X沟槽信号蝶阀(涡轮)产品用途】
XD381X沟槽信号蝶阀(涡轮)沟槽式(卡箍)连接阀门是引进美国与德国同类先进产品而设计制造的一系列新型连接阀门广泛应用于输送流体管道的给排水,消防、空调、燃气、石油、化工、水处理、市政、造船等管道工程作为控制流体作用。
【XD381X沟槽信号蝶阀(涡轮)产品特点】
XD381X沟槽信号蝶阀(涡轮)具有安装快速、简易、安全、可靠、不受安装场地限制、便于管道与阀门的维修保养,有隔振隔音与一定的角度范围内有克服管道连接不同轴而产生仿差,解决温差所产生热胀冷缩等特点。
【XD381X沟槽信号蝶阀(涡轮)主要零件材料】
| 序号 |
名称 |
国标标准 |
| 1 |
阀体 |
球铁 |
QT450-10 |
| 2 |
阀板 |
球铁 |
QT450-10 |
| 3 |
橡胶 |
EPDM |
|
| 4 |
上轴 |
不锈钢 |
1Cr13 |
| 5 |
下轴 |
不锈钢 |
1Cr13 |
| 6 |
O形圈 |
丁腈 |
|
| 7 |
定位齿盘 |
碳钢 |
45# |
| 8 |
手柄 |
玛钢 |
|
| 9 |
丝堵 |
碳钢 |
45#
|
【XD381X沟槽信号蝶阀(涡轮)性能参数】
公称压力:1.O1.62.5
试验压力壳体强度:1.52.43.75
密封性能:1.11.762.75
适用介质产品类型:铸铁、球墨铸铁、铜、碳钢、不锈钢
适用介质:水、水蒸汽、油品、空气水、水蒸汽水、水蒸汽、油品、空气
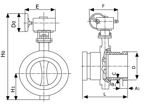
【XD381X沟槽信号蝶阀(涡轮)外形和连接尺寸】
| 规格 |
尺寸 (mm) |
| mm |
inch |
A |
B |
C |
D |
E |
F |
| 50 |
2 |
81 |
60 |
8 |
16 |
85 |
57 |
| 65 |
2.5 |
97 |
73 |
8 |
16 |
106 |
65 |
| 80 |
3 |
97 |
89 |
8 |
16 |
113 |
75 |
| 100 |
4 |
116 |
114 |
10 |
16 |
135 |
90 |
| 125 |
5 |
148 |
141 |
10 |
16 |
148 |
110 |
| 150 |
6 |
148 |
168 |
10 |
16 |
181 |
124 |
| 200 |
8 |
134 |
219 |
11 |
19 |
204 |
155 |
| 250 |
10 |
159 |
273 |
13 |
19 |
230 |
190 |
| 300 |
12 |
166 |
324 |
13 |
19 |
270 |
230
|  |